互联网
2024年11月04日 沂蒙新闻网
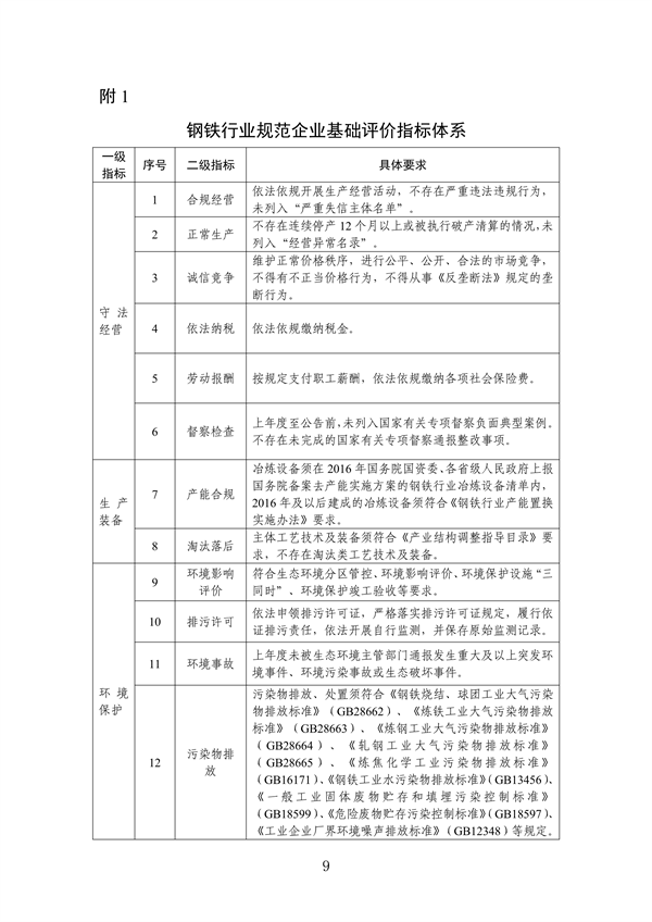
工信部就《钢铁行业规范条件(2024年修订)(征求意见稿)》向社会公开征求意见。环境保护方面,要求符合生态环境分区管控、环境影响评价、环境保护设施“三同时”、环境保护竣工验收等要求。依法申领排污许可证,履行依证排污责任,落实重点污染物排放总量控制要求。2026年起须完成全流程超低排放改造.
绿色化方面,积极推进绿色、低碳发展,推广应用先进绿色低碳工艺技术,建设应用工业绿色微电网,开展节能降碳技术改造,争创环保绩效A级、能效“标杆水平”;开发生产绿色产品,创建绿色工厂;鼓励企业关停退出烧结机、焦炉、高炉等传统设备,转型发展低碳炼铁、电炉炼钢;鼓励开展产品碳足迹(CFP)、环境产品声明(EPD)、产品全生命周期评价(LCA)及环境、社会和公司治理(ESG)等工作





















